pcb焊接
pcb焊接溫度一般多少度合適根據IPC-SM-782規定,通常片式元器件在260℃環境中僅保留10s,而一些熱敏smt元器件耐熱...
閱讀詳情手機:13827297626
電話:13827297626
郵箱:435281082@qq.com
地址:廣東省東莞市樟木頭鎮圩鎮荔苑路7號星耀國際

pcb焊接溫度一般多少度合適根據IPC-SM-782規定,通常片式元器件在260℃環境中僅保留10s,而一些熱敏smt元器件耐熱...
閱讀詳情
電阻發熱公式電阻發熱公式是:Q = 0.24I2Rt,其中Q表示發熱量(單位:焦耳),I表示通過電阻的電流(單位:安培),R表示...
閱讀詳情
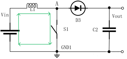
升壓電路工作原理升壓電路是一種電力電子電路,可以將直流電從一個電壓轉換為另一個電壓。升壓電路的工作原理是通過控制開關管的導通和截...
閱讀詳情
偏置電流是什么偏置電流是指第一級放大器輸入晶體管的基極直流電流,這個電流保證放大器工作在線性范圍,為放大器提供直流工作點。因為運...
閱讀詳情
Led亮度不夠是什么原因LED亮度不夠的原因可能有以下幾點:1. 電流過?。篖ED的發光亮度與其通過的電流有關,如果電流過小,則...
閱讀詳情
H橋驅動方式H橋驅動方式是一種常見的電機驅動方式,它由四個開關元器件(例如MOS-FET)組成,通常用于驅動電流較大的負載,比如...
閱讀詳情
熱敏電阻的b值是什么意思熱敏電阻的B值是指熱敏電阻的溫度系數,它用來描述該電阻值隨溫度變化的速率。其中,B值為3950。具體來說...
閱讀詳情
撥碼開關的工作原理撥碼開關,也被稱為DIP開關、撥動開關,超頻開關,地址開關,撥拉開關,數碼開關,指撥開關等,是一款用來操作控制...
閱讀詳情
10k電阻色環10k電阻色環顏色有兩種情況:如果是四色環電阻,則分別為:棕、黑、橙、任意一種顏色。第一道色環表示阻值的最大一位數...
閱讀詳情
thunderbolt接口Thunderbolt接口是一種高速數據傳輸協議,由Intel發布,它的英文全稱是Thunderbol...
閱讀詳情
微動開關原理微動開關是一種具有微小接點間隔和快動機構的開關,其外部有驅動桿。這種開關的動作是通過使用規定的行程和規定的力進行開關...
閱讀詳情
usb轉rj45接口有什么用USB轉RJ45接口是一種轉換器,可以將USB接口轉換為RJ45接口,從而可以使用網線連接到網絡。這...
閱讀詳情