手機:13827297626
電話:13827297626
郵箱:435281082@qq.com
地址:廣東省東莞市樟木頭鎮圩鎮荔苑路7號星耀國際
發布時間:2019-11-18 點此:3964次
電位器是可變電阻器的一種調節電子元器件,通常是由六腳電位器電阻體與滑動系統組成,靠一個動觸點在電阻體上移動,從而獲得部分電壓的輸出。

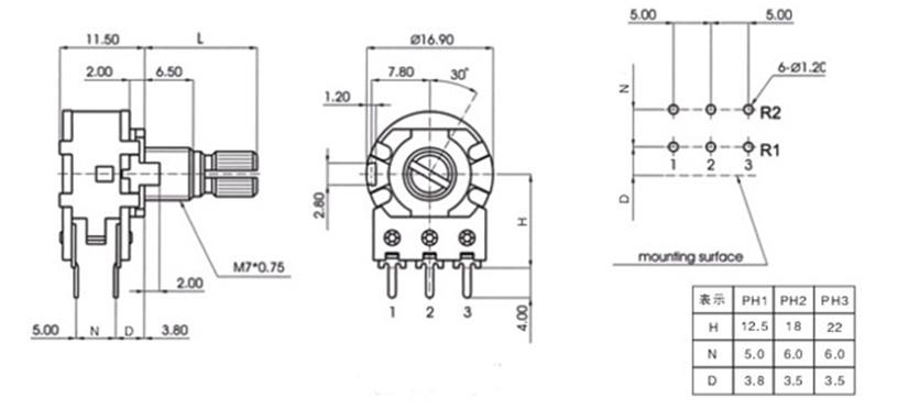
電位器體數:雙聯6引腳;
柄長:15mm;
阻值偏差:±20%;
阻值變化特性:B;
旋轉角度:300°±50°;
使用溫度范圍:-10℃~+70℃;
終端電阻:≤1%R或2Ω;
接觸電阻變化:≤3%R或3Ω;
絕緣電阻:R1≥1GΩ;
耐電壓:101.3Pa 600V;8500Pa 360V;
額定功率:+70℃ 0.5W;+125℃ 0w;
工作溫度方位:-50℃~+125℃;
電阻溫度系數:±100,±50ppm℃;
旋轉壽命:10000次;
產品特點:1、可帶中心軟定位;2、阻值線線多樣化;3、手感柔和;4、功率大;5、滑動視覺直觀;6、使用壽命長;
產品應用:電位器多用于多媒體音響和變頻器、功放、編碼器、閱讀器和臺燈調節光度開關、老式電源變壓器的電子設備上。

電路圖詳細參數:

電位器是可以根據某種變化規則調節的電阻部件,引出端、電阻值有三個。電位器一般由變阻器和可挪動軟毛刷構成。當電刷順著變阻器挪動時,在輸出端可以獲得與偏移量具備一定關聯的阻值或工作電壓。
電位器可以用作三端部件,也可以用作二端部件。后面一種可視作可變電阻器,電源電路具備得到與鍵入電壓(釋放電壓)有一定關聯的輸出電壓的功效,因而稱之為電阻器。
電位器 (英文:Potentiometer)是可變電阻器的一種。通常是由電阻體與轉動或滑動系統組成,即靠一個動觸點在電阻體上移動,獲得部分電壓輸出。
電位器的作用——調節電壓(含直流電壓與信號電壓)和電流的大小。
電位器的構造特性是電位器的電阻器體有2個固定不動端。根據手動式調整傳動軸或拖動搖桿并改變移動接觸點在電阻器體里的部位,移動接觸點和一切固定不動端中間的阻值變化很大,進而改變工作電壓和電流量的尺寸。
電位器是一種可調的電子元件。它是由一個電阻體和一個轉動或滑動系統組成。在電阻體的2個固定不動觸點中間釋放工作電壓時,根據轉動或折動系統更改觸點在電阻體里的部位,能夠獲得在移動觸點和固定不動觸點中間與移動觸點的部位處在一定關聯的工作電壓。它大多是用作分壓器,這時電位器是一個四端元件。電位器大部分是滑動變阻器。電位器有幾類種類,常見于音響聲音電源開關和激光切割頭輸出功率調整。電位計是可調整的電子元器件。
用于分壓的可變電阻器。在裸露的電阻體上,緊壓著一至兩個可移金屬觸點。觸點位置確定電阻體任一端與觸點間的阻值。按材料分線繞、碳膜、實芯式電位器;按輸出與輸入電壓比與旋轉角度的關系分直線式電位器(呈線性關系)、函數電位器(呈曲線關系)。主要參數為阻值、容差、額定功率。廣泛用于電子設備,在音響和接收機中作音量控制用。
符合度也稱為符合性,是指電位器的實際輸出功率特性和要求的理論功能特性之間的一致性。實際上特性和基礎理論特性中間的較大誤差以總釋放工作電壓的百分數表達,能夠表達電阻器的精密度。
分辨力決定于電位器的理論精度。對于線繞電位器和線性電位器來說,分辨力是用動觸點在繞組上每個移動燈引起的阻力變化量和總電阻的百分比表示。對于具有函數特性的電位器來說,由于繞組上每一匝的電阻不同,故分辨力是個變量。這時,電阻器的識別力一般就是指涵數特性曲線圖的上傾率較大的均值識別力。
滑動噪聲是電位器特有的噪聲。在變動阻值的狀況下,電位計的電阻器分派不適度,轉動系統軟件的相互配合不適度,電位計存有接觸電阻等緣故,在移動接觸點在電阻器體的表面挪動的狀況下,輸出端除開有效的數據信號之外,還伴隨數據信號的波動的噪音。
針對線繞電位器而言,除開所述日常動態觸點與繞阻中間的觸碰噪聲外,也有辨別噪聲和短接噪聲。分辨力噪聲是由電阻變化的階梯性所引起的,而短接噪聲則是當動觸點在繞組上移動而短接相鄰線匝時產生的,它與流過繞組的電流、線匝的電阻以及動觸點與繞組間的接觸電阻成正比。
電位器的類別:
1、線繞電位器;
2、合成碳膜電位器;
3、有機實芯電位器;
4、金屬玻璃釉電位器;
5、導電塑料電位器;
6、數字電位器;
7、多圈精密可調電位器;
電位器的電阻材料分類:碳膜式、瓷金膜、線繞式。
在廣東沿海地區各種生產專業的自動化產品中,應用很廣泛,因為不僅為不同的設備儀器提供適合的供電和可變的連接,還提供不同的類型款式選擇,深受各大企業的產品設計員的關注。
相關推薦