手機:13827297626
電話:13827297626
郵箱:435281082@qq.com
地址:廣東省東莞市樟木頭鎮圩鎮荔苑路7號星耀國際
發布時間:2023-05-30 點此:1742次
撥動開關是一種常用的電器元件,廣泛應用于各種電路系統中,可以用于控制電路開關、電流頻率調節等功能。在市場上,撥動開關種類繁多,每個撥動開關型號都有其特定的含義。本文將詳細闡述撥動開關型號的含義,希望能為讀者提供有用的信息。

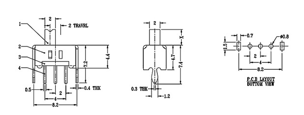
撥動開關型號通常包括以下含義:
第一個位置:代表開關的類型,比如立式開關還是臥式開關。
第二個位置:代表撥動開關的個數。
第三個位置:代表開關停檔的位數。
第四個字母:代表開關行程,比如C、D、E、F、G、H、I、J、K、L、N、P等,分別表示1.5、2.0、2.5、3.0、3.5、4.0、4.5、5.0、5.5、6.0、7.0、8.0等不同行程。
以SS-12D07為例,其中SK代表側撥動式開關,12代表開關有兩個檔位,D代表開關行程為2.0mm,07代表立式開關。
一、撥動開關類型
撥動開關可以分為單刀、雙刀、三刀等多種類型,其區別在于開關接點數目的不同。單刀撥動開關只有一個開關接點,具有單向控制功能;而雙刀撥動開關則有兩個開關接點,可以同時控制兩個電路的開關。三刀撥動開關則具有三個開關接點,可以同時控制三個電路。同時,撥動開關還可以分為固定式和旋轉式,旋轉式撥動開關可以在不同角度進行控制。

二、撥動開關電流與電壓
在選擇撥動開關時,需要了解其電流和電壓。撥動開關的最大工作電壓是指其開關接點可以耐受的最大電壓值,而最大工作電流則是指開關接點可以耐受的最大電流值。一旦超過這個值,開關接點會被燒毀,從而影響開關的正常功能。因此,在使用撥動開關時,一定要了解其電流和電壓的參數,并按照相關的規范使用。
三、撥動開關功能
撥動開關的功能也是購買時需要了解的重要因素。常見的撥動開關功能包括單向控制、正反轉控制、變速控制等。此外,撥動開關還可以根據不同的使用環境,具有防水、防塵等功能,以保證其長期穩定的工作。
四、撥動開關外觀

撥動開關的外觀也是購買時考慮的因素之一。不同的外觀可以應對不同的使用環境和需求,例如帶燈的開關可以在暗處提供光源,便于識別和使用;而帶把手的開關則更容易操作,特別適用于手指關節靈活性較差的用戶。
購買撥動開關時,需要了解其型號含義,包括類型、電流電壓、功能和外觀等方面。在使用撥動開關時,也要遵循相關規范,以確保其工作穩定。希望本文能夠為讀者提供有用的幫助,更好地了解撥動開關。
上一篇:解決樹莓派h5py庫與tensorflow沖突的有效方法
下一篇:防銀遷移輕觸開關
相關推薦