手機:13827297626
電話:13827297626
郵箱:435281082@qq.com
地址:廣東省東莞市樟木頭鎮圩鎮荔苑路7號星耀國際
發布時間:2023-12-05 點此:607次
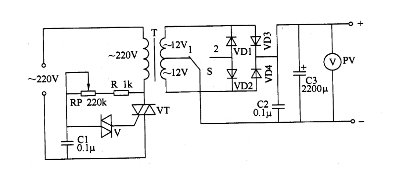
穩壓電源電路原理
直流穩壓電源是一種將220V工頻交流電轉換成穩壓輸出的直流電壓的裝置,它需要經過變壓、整流、濾波、穩壓四個環節才能完成。
- 電源變壓器:是降壓變壓器,它將電網220V交流電壓變換成符合需要的交流電壓,并送給整流電路,變壓器的變比由變壓器的副邊電壓確定。
- 整流濾波電路:整流電路將交流電壓Ui變換成脈動的直流電壓。再經濾波電路濾除較大的紋波成分,輸出紋波較小的直流電壓U1。
- 濾波電路:可以將整流電路輸出電壓中的交流成分大部分加以濾除,從而得到比較平滑的直流電壓各濾波電容 C滿足RL-C=(3~5)T/2,
- 穩壓電路:穩壓電路的功能是使輸出的直流電壓穩定,不隨交流電網電壓和負載的變化而變化。

穩壓電源電路設計
穩壓電源電路的設計需要依據具體的應用場景和需求來定制,其中涉及了電子元器件的選擇、電路原理圖的繪制、參數的計算等多個環節。
設計步驟如下:
1. 確定輸出電壓和輸出電流:根據應用需求確定穩壓電源的輸出電壓和輸出電流。
2. 選擇元器件:元器件的選擇是電路設計的重要環節,其中包括電源變壓器、整流橋、濾波電容、穩壓器等關鍵元件。
3. 繪制電路原理圖:根據所選元器件,按照電路設計原理繪制出電路原理圖。
4. 計算元器件參數:根據電路原理圖,計算出各元器件的參數值,如電容的電容值等。
5. PCB布局設計:將電路原理圖轉化為實際的PCB布局設計。
6. 打樣和調試:完成PCB布局設計后,制作電路板并進行打樣,然后進行電路功能測試和調試。
在設計過程中,可以參考一些專業的電子書籍和視頻教程,這些資源通常會詳細介紹電路設計的各個環節,并提供實用的設計技巧和經驗。同時,也可以借鑒一些典型的穩壓電源電路設計案例,以幫助理解穩壓電源電路設計的工作原理和方法。
串聯穩壓電源電路
串聯穩壓電源電路的原理是將調整管與穩壓電路負載串聯,因此被稱為串聯穩壓電路。由于直流輸出電壓的穩定是通過調整管集電極與發射極之間的電壓降自動調整實現的,所以也被稱為串聯調整型穩壓電路。
在串聯穩壓電源中,晶體管 T1 作為調整管,其作用是控制輸出電壓。當輸出電壓增加時,基極-發射極電壓降低,因為晶體管 T1 導通減少。由于 T1 傳導較少,它會降低輸出電壓,從而保持輸出電壓恒定。當輸出電壓降低時,基極-發射極電壓升高,因為晶體管 T1 導通更多。
此外,串聯穩壓器還包含比較放大器T2和取樣電路R3~R5等部分。整個控制過程是一個負反饋過程,所以這樣的穩壓電源叫串聯負反饋穩壓電源。
串聯穩壓電源具有高效率、寬范圍的輸出電壓調節和高穩定性等優點,因此被廣泛使用。