手機:13827297626
電話:13827297626
郵箱:435281082@qq.com
地址:廣東省東莞市樟木頭鎮圩鎮荔苑路7號星耀國際
發布時間:2024-05-06 點此:708次
在日常生活和工作中,開關作為控制電路通斷的重要組件,其使用頻率極高。傳統的機械式開關在操作時往往伴隨著“咔噠”聲,這種聲音在需要安靜環境的場合顯得尤為突兀。因此,無聲輕觸開關應運而生,它不僅能夠提供安靜的操作環境,還能提升整體的使用體驗。
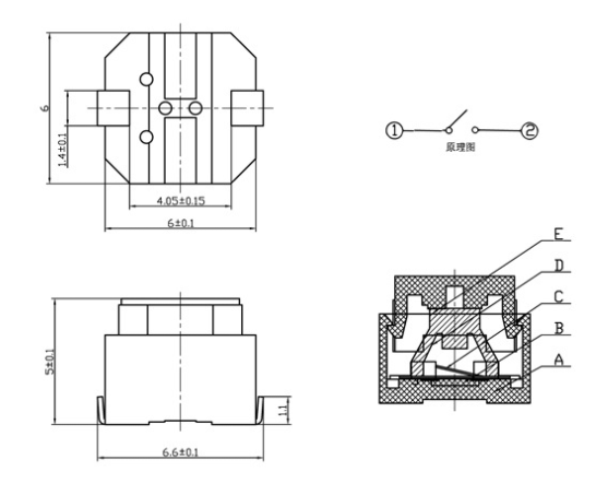
我們需要了解無聲輕觸開關的基本構造和工作原理。無聲輕觸開關通常是由普通的輕觸開關改造優化而來,通常的輕觸開關是彈片直按直回彈的工作原理,無聲開關則多了一個緩沖靜音結構在里面,從而讓按壓的時候,不會有很大的回響,達到"靜音無聲"的效果。

接下來,我們來探討選擇無聲輕觸開關時應考慮的幾個關鍵因素:
1. 材質與耐用性:優質的無聲輕觸開關通常采用耐磨損、抗腐蝕的材料制造,如合金或高級塑料。這些材料能夠確保開關長期使用后仍能保持良好的觸感和性能。在選擇時,應仔細查看產品說明,了解其材料構成。
2. 靈敏度與準確性:一個好的無聲輕觸開關應該具備高靈敏度和準確性,即輕輕一觸即可快速響應。這要求開關的感應元件必須精確且質量上乘。可以通過實際按壓樣品來測試其反應速度和穩定性。
3. 負載容量:不同的無聲輕觸開關設計有不同的電流和電壓承受能力。在選擇時,應根據所需控制的電器或燈具的功率來選擇合適的負載容量,避免因超負荷使用導致開關損壞。
4. 安裝尺寸與兼容性:開關的尺寸應與安裝面板相匹配,同時要考慮到與其他設備的兼容性。在購買前,最好先測量好安裝位置的尺寸,確保新購買的無聲輕觸開關能夠完美適配。
5. 品牌與售后服務:選擇知名品牌的產品通常能得到更可靠的質量保證和完善的售后服務。在購買時,不妨查看用戶評價和品牌口碑,選擇一個信譽良好的品牌。
6. 外觀設計:雖然外觀不影響開關的性能,但一個與室內裝修風格相匹配的開關能夠提升整體美感。可以選擇顏色、形狀和設計風格與室內裝潢協調的無聲輕觸開關。

7. 價格因素:在滿足以上所有功能和質量要求的前提下,價格也是一個重要的考慮因素。合理比較不同產品的價格,選擇性價比高的無聲輕觸開關。
通過以上幾點的詳細描述,我們可以看到,選擇無聲輕觸開關并非一件簡單的事情,它涉及到多個方面的考量。從材質的耐用性到開關的靈敏度,從負載容量到安裝尺寸,再到品牌信譽和外觀設計,每一個細節都不容忽視。只有綜合考慮這些因素,才能選購到既滿足功能需求又符合個人審美的無聲輕觸開關。
無聲輕觸開關以其獨特的優勢逐漸成為現代家居和辦公環境中的寵兒。在選擇時,我們應該從實用出發,結合個人喜好和環境需求,進行全面的比較和考量。只有這樣,我們才能在眾多選項中找到那個最適合自己,能夠提升生活品質的無聲輕觸開關。
上一篇:應對輕觸開關失靈
下一篇:mini輕觸開關的應用