手機:13827297626
電話:13827297626
郵箱:435281082@qq.com
地址:廣東省東莞市樟木頭鎮圩鎮荔苑路7號星耀國際
發布時間:2020-05-11 點此:2230次
常規的輕觸開關的高度都是固定的,除了用戶有特殊需求進行定制,穎鑫電子建議客戶在設計產品的時候,可以選擇通用型號的輕觸開關 ,因為另外設計的非常規尺寸高度可能重新機器開模定制。

2*3和2*4輕觸開關,也被稱為小貝貝四腳貼片型輕觸開關。他的高度一般為3.0和3.5mm。

3*3輕觸開關這個尺寸范圍內的主要高度有兩個,尺寸高度0.8和1.5,主要外觀集中在貼片輕觸開關,基本都是機器全自動化生產,密閉性極好,可替代進口的輕觸開關。

3*4輕觸開關尺寸高度主要有1.8、2.5和3.0三種,多用于類似藍牙耳機或者智能音箱上面。

3*6輕觸開關尺寸高度主要有:0.8、3.5、3.8三種,有兩腳側按和四腳側按,多用于小玩具小電器上面的功能按鍵。

4*4輕觸開關尺寸高度主要有:1.5、1.7、2.0、2.3、2.5、3.0、3.5、3.7、4.3、6八種高度貼片輕觸開關,4*4系列的用途最為廣泛,有用在體溫檢測器和各種電子器材的按鍵開關上面。
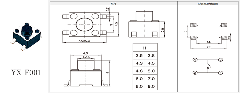
4.5*4.5分為插件、貼片和邊三角三種輕觸按鍵開關:

插件4.5*4.5輕觸開關尺寸高度主要有:3.8和5兩種,一般是四腳插件輕觸開關。
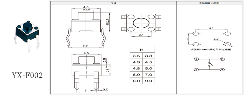
貼片4.5*4.5輕觸開關尺寸高度主要有:3.2、3.8、4.0、4.5、4.8、5.0、5.5、6.0、7.0九種高度貼片輕觸開關,此款開關多用于各種便攜電子儀器的開關按鈕,一般只有四腳,也稱為四腳貼片開關。
4.5*4.5邊三角輕觸開關尺寸高度主要有:3.8、4.3、4.8、5.0、5.5、7.0、8.0其中高度邊三角輕觸開關按鍵,也稱為邊三角輕觸開關。
6*6分為貼片和插件兩種輕觸開關按鍵:

6*6貼片輕觸開關尺寸高度主要有:4.3、4.5、5、5.5、6、7、8、9.5、10、12、13十一種高度貼片按鍵開關,主要是四腳按鍵。

6*6插件輕觸開關尺寸高度主要有:4.5、5.5、6.5、7、8、9、10、11、12、13、14、15、16、17、18、19十八種高度插件輕觸按鍵開關,一般只有四腳插件。
6.2*6.2輕觸開關分為貼片和插件兩種:

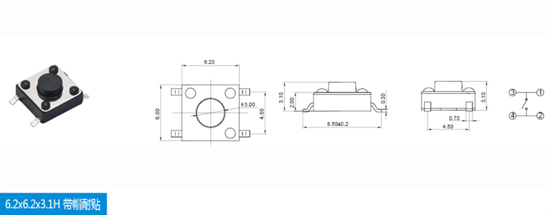
6.2*6.2貼片輕觸開關尺寸高度主要有:2.5、2.7、3.1、3.7、5.1五種四腳貼片輕觸按鍵開關,一般為四腳,特需有五腳貼片。

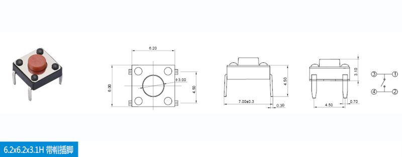
6.2*6.2插件輕觸開關尺寸高度主要有:2.5、2.7、3.1三種四腳插件輕觸開關按鍵,一般為四腳插件。

8*8規格輕觸開關大多是防水款的,價格方面比較貴,高度在5.5居多,也有一些款式是定制的。

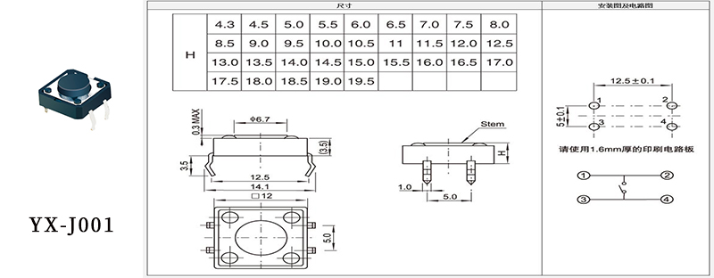
12*12的輕觸開關高度有4.3/4.5/5.0/5.5/6.0/6.5/7.0/7.5/8.0/8.5/9.0/9.5/10/10.5/11/11.5/12/12.5/13/13.5/14/14.5/15/15.5/16/16.5/17/17.5/18/18.5/19/19.5等多種規格,此款輕觸開關現在用在體溫檢測器上比較多。
如果需要更多的輕觸開關資料,可以咨詢在線客服。
下一篇:插腳輕觸開關
相關推薦