手機:13827297626
電話:13827297626
郵箱:435281082@qq.com
地址:廣東省東莞市樟木頭鎮圩鎮荔苑路7號星耀國際
發布時間:2020-09-11 點此:1827次
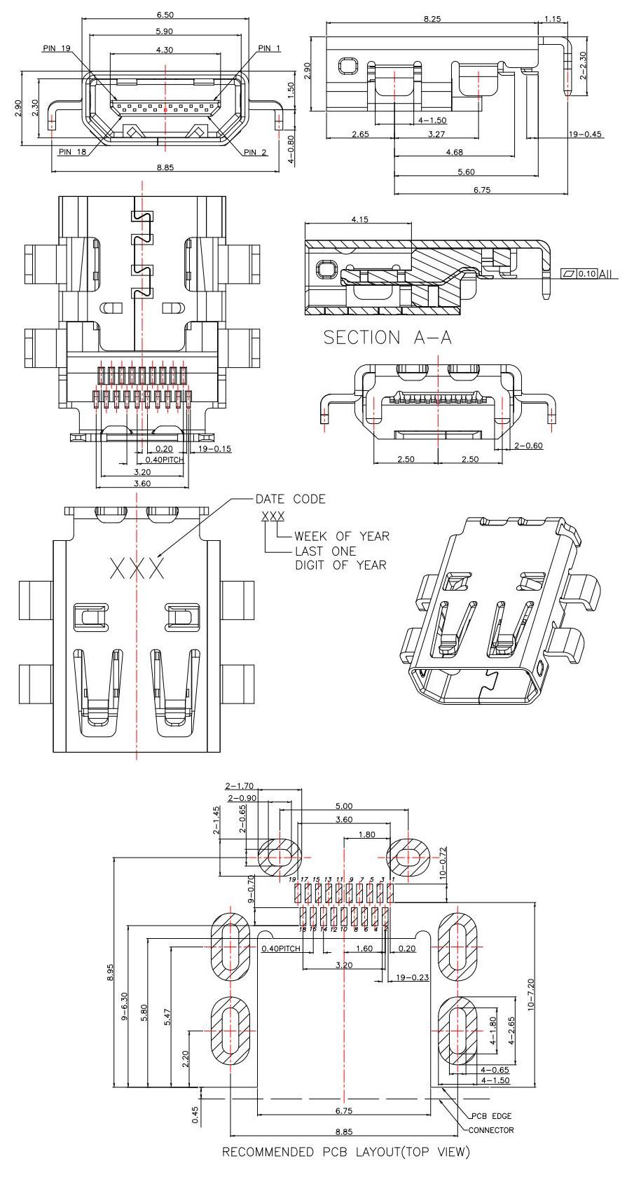
HDMI D TYPE,沉板高H:1.5mm,HDMI-D-5 HDMI sockets
產品規格
型式:HDMI TYPE D
膠芯正反向:正向
插拔力:5-44N
插拔次數:5,000次
焊接方式:SMT 沉板/板上高 H:1.5mm
外殼電鍍:鍍鎳
包裝方式:1,100PCS/Reel


上一篇:鈕子開關TS4-202C4
相關推薦