手機:13827297626
電話:13827297626
郵箱:435281082@qq.com
地址:廣東省東莞市樟木頭鎮圩鎮荔苑路7號星耀國際
發布時間:2019-11-01 點此:4675次
臥式撥動開關廠家批發價格:0.04~0.5元/個;
臥式撥動開關和立式的最大區別是安裝的位置,其他的功能都差不多。立式開關通常是SS開頭,臥式的是SK。
臥式開關的選型和檢測也是很重要的,主要體現在選型的時候,需要考慮原有設計主板上,是否有其他干擾因素,如空間不足,溫度,強磁等等因素。
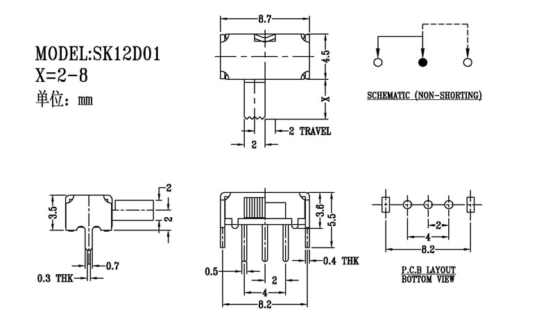
三腳SK-12D系列撥動開關:


4腳SK撥動開關:


撥動開關檢驗規范
一、目的: 規范波段開關檢驗標準、作業內容及操作手法。
二、適用范圍: 適用滑動開關的來料檢驗。
三、檢驗設備: 萬用表、卡尺等。
四、抽樣方案: 包裝檢驗:小于4 個包裝單位的全檢, 5-10 個包裝單位的檢驗4 個,大于10 個包裝單位的檢驗總數的1/3 (取整數);外觀、手感性能、導通性抽樣依據GB2828-2003 逐批計數抽樣標準執行, 檢查水平為一般Ⅱ級。尺寸、可焊性檢驗每批抽取10pcsAQL 值規定CR:AQL=0, MA: AQL =0.65 ,MI :AQL=2.5 。每個包裝不良算作一項單項不良。
五、驗收要求:
1. 檢驗員嚴格按照規定的抽樣方案進行樣本的隨機抽取。
2. 驗收所用儀器、設備和測試方法:
驗收所用儀器設備必須經過有關部門檢定合格并在有效期內,精度應滿足測試要求。測試方法應符合合同、技術協議或產品規范的規定。
六、檢驗條件: 在40W 日光燈條件下,被檢查樣品放在自己面前10cm 左右的檢驗桌面上,目測距離為30-35cm 左右。
七、檢驗項目及方法:
1、包裝檢驗:外包裝應注明生產廠家、日期、產品名稱或型號規格等,內包裝應有防壓、防潮措施;標識正確清晰, 外觀完好,與標識樣本對比應與樣本完全一致。
2、外觀檢驗:外表面無破損、無鍍層脫落、表面干凈, 本體各部分配合緊密無松動及脫落現象,管腳無斷裂、變形、折痕。
3、尺寸檢驗:與樣件對比外形尺寸應基本一致。
4、性能檢驗:(1)導通性;(2)手感;(3)可焊性;
八、開關檔位:2檔、三檔、四檔、五檔;
東莞市穎鑫電子科技有限公司提供多種型號給客戶選擇,可以根據不同需要定制不同顏色,撥動開關有臥式,立式,貼片等等系列,相關采購人員在采購詢價的時候,需要區分下,比如我們常見的兩檔撥動開關,內部結構有一些也是有差異化的,這個取決于設計加工的過程,同時不同公司企業的生產工藝模式以及原材料的不同,也會導致產品從性能和使用壽命都有很明顯的差異化。撥動開關和船型開關,有不少是用途一樣,用來控制電源模塊啟閉的連接器。老式的筆記本工作站等都有應用,現在用的比較多的是輕觸按鍵開關。三檔的撥動開關多用于玩具或者對講機這類產品。東莞市穎鑫電子科技有限公司的產品都是通過TUV和UL環保認證,遠銷全國各地。同時公司直銷產品有輕觸開關,DC插座,微型船型開關,微動開關,立式耳機插座,按鍵小撥動開關等,經營的電子類產品非常的豐富,為客戶提供一站式供應服務,發貨速度快,可為客戶提供所在地區特有的定制電子產品的服務,穎鑫電子公司在廣東省內有各大生產基地,占地面積上千平,專業的開模技術員,生產定制類產品速度快,各種工藝成熟,月均單個產品上百萬級別。如需定制服務或者咨詢產品,可以直接聯系在線客服QQ或者在公司簡介中撥打陳經理電話聯系,歡迎您的咨詢!
上一篇:通用防水搖頭鈕子開關規格參數
下一篇:什么是搖頭鈕子開關
相關推薦